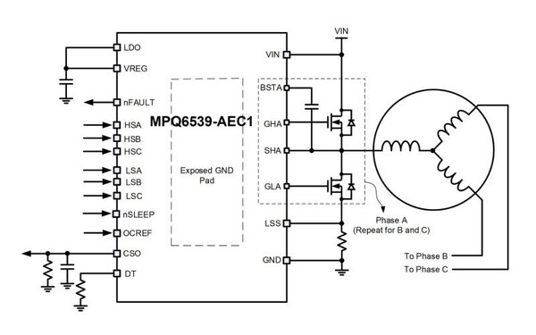
頂點光電子商城2025年8月12日消息:近日,MPS芯源系統發布了新產品MPQ6539-AEC1,是一款專為三相無刷直流(BLDC)電機驅動器而設計的柵極驅動器IC,其輸入電壓高達80V,可驅動由六個N溝道功率MOSFET組成的三個半橋的車規級柵極驅動器。MPQ6539-AEC1適用于汽車泵、電動升降尾門、電動天窗、電動座椅調節等汽車車身電機控制應用。
擴展能力可驅動由四個N溝道功率MOSFET組成的一個H橋,級聯兩顆MPQ6539-AEC1可驅動十二個N溝道功率MOSFET組成的三個H橋,滿足三個直流有刷電機(BDC)的驅動需求。

技術特性與優勢方面,寬輸入電壓范圍支持8V至80V輸入電壓,全面兼容12V、24V、48V汽車電氣架構,適配新能源汽車供電系統演進。靈活配置,通過串聯外部電阻可調整死區時間(DT)及外部MOSFET的過流保護閾值,提升汽車電機應用設計的靈活性與可靠性。高集成度,內置電流檢測放大器、集成電荷泵支持100%占空比,采用QFN(4mm×5mm)小封裝設計,節省PCB面積與外部元器件,降低BOM成本。強保護功能,具備可調死區時間控制、可配置過流保護、過溫保護、欠壓鎖定和故障上報等完善保護機制,確保系統安全運行。車規級認證,符合AEC-Q100車規級標準,滿足汽車行業對可靠性、耐久性和環境適應性的嚴苛要求。

MPQ6539-AEC1典型應用圖
應用場景與市場價值方面,汽車車身電機控制:覆蓋汽車泵、電動升降尾門、電動天窗、電動座椅調節等應用,提升車身電子化與智能化水平。多電機驅動支持:通過級聯設計滿足三個直流有刷電機(BDC)的驅動需求,簡化多電機系統設計,降低開發成本。新能源汽車適配:支持12V至48V寬電壓范圍,助力汽車電氣架構從傳統12V系統向48V系統過渡,提升能源利用效率。
鄂公網安備 42011502001385號 鄂ICP備2021012849號