分壓器的作用是給光電倍增管(PMT)的倍增級提供正確的分壓,使倍增級實現連續的倍增,從而進行放大。所以分壓器的設計會影響光電倍增管的分辨率、線性和穩定性。一般分壓器我們可以分為三個部分:前級(陰極和第一倍增級)、中間級、末級,每個部分對光電倍增管的影響各不相同。

對于不同的分壓器類型,根據需求不同,設計方法也不同。分壓器的類型大致可以分為:直流(DC)輸出型、脈沖信號型、高線性(大電流)輸出分壓器電路、減少震蕩分壓器、增益可調節分壓器等幾種。下面將這幾種類型分別進行闡述。
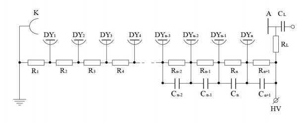
一、直流(DC)輸出型
此種分壓器的設計,在光電倍增管(PMT)陽極輸出電流比較小的時候,可以忽略后面倍增級的影響。但是當入射光通量增大時,會導致光電倍增管(PMT)后面幾級倍增級的電壓下降,導致前面電極間的電壓升高,所以此種分壓器的設計只適用于陽極輸出電流較小的直流信號輸出中。

二、脈沖信號型
為了改善脈沖信號的線性,我們可以在末級倍增級上接上去耦電容,在脈沖期間,補充光電倍增管(PMT)的電荷,以抑制末級分壓器和陽極之間的電壓下降,從而改善脈沖線性。

三、高線性(大電流)輸出分壓器電路
1、錐形分壓器
為了克服由于入射光過強,導致光電倍增管(PMT)末級分壓器空間電荷效應的影響,我們可以使后面幾級分壓器的阻值變大,使用錐形的分壓設計,可以有效地提高陽極輸出線性。

2、穩壓管分壓器
可以在前級和末級之間使用齊納二極管來代替電阻,不管光電倍增管(PMT)陰極和陽極之間所加多大的電壓,都能維持電極電壓的穩定性,確保光電倍增管穩定工作,并取得最大的輸出線性。

3、倍壓整流分壓器
可以在回路里串聯二極管,每個接點各串聯一個電容(倍壓整流)。這種兼有電源的分壓電路,具有高輸出線性外,還具有小型、低功耗的特性。

4、晶體管分壓器
在閃爍計數應用中,當光電倍增管(PMT)在高計數率的時候,常發生輸出線性的問題,在這種場合中,可以使用晶體管來代替分壓器電阻,這時由分壓器電阻引起的輸出線性降低可以得到改善。

四、減少震蕩分壓器
在輸出上升時間為10納秒以下的快速脈沖時,我們在末級分壓器接上阻尼電阻,可以減輕輸出波形的振蕩。阻尼電阻常用10到200 Ω左右的無感應電阻,如果該阻值過大,將會引起時間響應特性變壞,一般可以通過觀察實際波形來決定其必要的最小限度值。

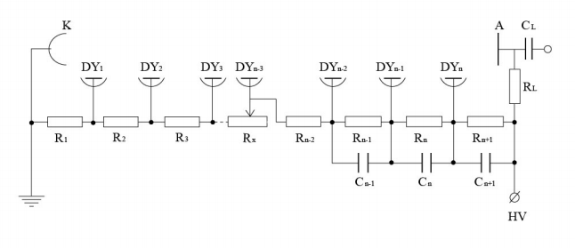
五、增益可調節分壓器
我們可以改變所加的電壓來控制光電倍增管(PMT)的輸出,但有時希望不改變高壓,依然可以讓光電倍增管工作在增益比較高、工作電壓低的場合中,此時我們可以參考以下的設計。
1、倍增級和陽極短接
如圖所示,可以直接減少倍增級級數來控制增益,并提高極間電壓、提高信噪比。可以從陽極或者倍增級輸出。

2、調節中間倍增級電位
如圖所示,我們可以在中間倍增級中添加可調節電阻。調節中間倍增級電壓控制光電倍增管增益,試驗表明保持前級電位恒定,僅僅改變中間倍增級電壓來調節光電倍增管增益是有效的。

以上就是關于光電倍增管(PMT)各種分壓器設計原理的闡述。有關濱松產品的技術解答,頂點光電子會持續更新,歡迎關注。
鄂公網安備 42011502001385號 鄂ICP備2021012849號