開關二極管里有個PN結。.當有正向電流時,電流流通,導通正電。.負電來臨時,二極管不導通。.在電源電路里能起著開關和隔離作用。
開關電路分為兩大類
1. 電子開關,無需機械式的開關件,選用二極管、三極管這類元器件組成開關電路。
2. 機械式的開關,選用機械式的開關件當做開關電路中的電子器件。
①開關二極管開關特點介紹
開關二極作為電子元器件與一般的二極管相同,也是一個PN結的構造,不一樣的地方是二極管的開關性能要好。
當給開關二極管施加正向電壓時,二極管正處在導通狀況,等同于開關被打開;當給開關二極管添加逆向電壓時,二極管處在結束狀況,等同于斷開開關。二極管的打開和斷開的狀態是實現開關功能的原因。
開關二極管便是運用這類特性,依據制作工藝,開關特點更佳,即開關速度更快,導通時候的內阻會更小,主要是PN結的結電容更小,當然結束時候的阻值會很大。
如圖所示開關時間概念說明

有關二極管電子器件開關電路解析關鍵點闡述以下兩點:
(1)LC并聯諧振電路中的訊號經過C2加到VD1正極上,可是因為諧振電路中的訊號波幅較為小,因此加到VD1正極上的正半周訊號波幅較小,無法使VD1導通。
(2)如果電路有開關件時,那么就以該開關接通和斷開兩類情形為例子做電路解析,各自開展電路運行狀態的解析。因此,電路中使用開關件時能為電路分析帶來一定的靈感。
②故障檢驗方式和電路故障解析
如圖所顯示是檢驗電路中開關二極管時布線示意圖,在開關接通時檢測二極管VD1兩邊直流電壓降,應當為0.6V,假如VD1短路代表遠低于這一電壓值,VD1開路說明遠大于這一電壓值闡述。此外,要是沒有明顯發覺VD1發生短路或開路故障時,可以用萬用表歐姆檔檢測它的正向電阻,要較小,不然正向電阻大也不太好。

假如這一電路中開關二極管開路或短路,都無法開展振蕩頻率的調節。開關二極管開路時,電容C2無法連接電路,這時振蕩頻率上升;開關二極管短路時,電容C2一直連接電路,這時振蕩頻率下降。
③常見二極管開關電路工作原理
二極管組成的電子開關電路方法各式各樣。

根據觀察這一電路,就可以得知一下幾個問題,有利于對電路工作原理的解析:
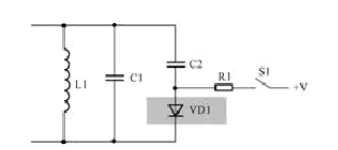
(1)掌握這一單元電路功能是第1步。從圖中能夠看到,電感L1和電容C1并聯,這明顯是一個LC并聯諧振電路,是這一單元電路的基礎功能,明確這一點后能夠了解,電路中的別的電子器件應該是貫穿這一基礎功能的協助電子器件,是對電路基礎功能的擴展或補充等,為此思路能夠便捷地解析電路中的電子器件功能。
(2)C2和VD1組成串聯電路,隨后再與C1并聯,從這類電路構造能夠算出1個判定結果:C2和VD1這一支路的功能是依據該支路來更改與電容C1并聯后的總容積大小,這種判定的原因是:C2和VD1支路與C1上并聯后總電容量更改了,與L1組成的LC并聯諧振電路其振蕩頻率更改了。因此,這是一個更改LC并聯諧振電路頻率的電路。

有關二極管電子開關電路解析構思介紹以下幾個方面:
(1)電路中,C2和VD1串聯,依據串聯電路特點得知,C2和VD1要不一起連接電路,要不一起中斷。假如僅僅需用C2并聯在C1上,能夠直接將C2并聯在C1上,但是串入二極管VD1,介紹VD1操縱著C2的連接與中斷。
(2)依據二極管的導通與結束特點得知,當需用C2連接電路時讓VD1導通,當不用C2連接電路時讓VD1結束,這類二極管的工作方式叫做開關方法,這種的電路稱作二極管開關電路。
(3)二極管的導通與結束要有電壓操縱,電路中VD1正極依據阻值R1、開關S1與直流電壓V端連接,這一電壓便是二極管的操縱電壓。
(4)電路中的開關S1用于調節工作電壓V有沒有連接電路。根據S1開關電路更加容易確認開關下二極管VD1的工作狀態,因為S1的開、關調節了二極管的導通與結束。
如下圖所顯示是二極管電子器件開關電路工作原理闡述。

上圖是二極管電子器件開關電路工作原理闡述
上面兩種情況中,由于LC并聯諧振電路中的電容不一樣,一種情形僅有C1,而另一種情形是C1與C2并聯,在電容量不一樣的情形下LC并聯諧振電路的諧振頻率不一樣。因此,在電路中調節LC并聯諧振電路的諧振頻率是由VD1負責此功能。
鄂公網安備 42011502001385號 鄂ICP備2021012849號