商品名稱:16象元硅光電二極管陣列 S11212-021
商品型號:S11212-021
品牌:濱松光子
封裝規格:Glass epoxy
商品類別:
二級分類:濱松硅(Si)光電二極管陣列
商品批號:
貨期:4個月
商品編號:
商品重量:0.1kg
庫存數量:1000 個
單價:
用于X射線無損檢測的背照式光電二極管陣列
S11212-021 是一款專用于X射線無損檢查的背照式16象元光電二極管陣列。它比我們之前的S5668系列相比,具有更高的靈敏度均勻性和更小的象元變化。背照型光電二極管陣列操作簡單,更便于和閃爍體耦合,由于其背部沒有光敏面,也沒有焊接線,因此不需要擔心對導線的損壞。由于它們的封裝尺寸和管腳連接都相同,它可以替代S5668系列。
產品特性
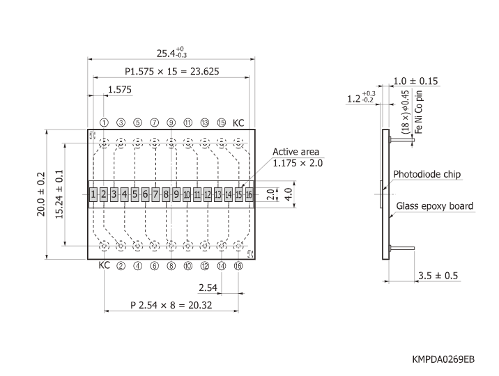
● 板上尺寸:25.4 (W) ×20.0 (H) mm
● 單元尺寸: 1.175 (W) × 2.0 (H) mm/one element
● 象元間距:1.575mm ( × 16 pixels)
● 多陣列,長而窄的設計版式
● 支持雙能量成像(上下兩層結合使用時)
● 光頻響應范圍 :340 to 1100 nm
| 元素大小(每1列) | 1.175 × 2.0 mm |
| 像元個數 | 16 |
| 封裝 | Glass epoxy |
| 封裝類型 | Unsealed |
| 閃爍體類型 | None |
| 制冷方式 | Non-cooled |
| 反向電壓(最大值) | 340 to 1100 nm |
| 光譜響應范圍 | 920 nm |
| 峰值靈敏度波長(典型值) | 0.61 A/W |
| 靈敏度 (典型值) | 30 pA |
| 上升時間 (典型值.) | 6.5 μs |
| 結電容(典型值) | 40 pF |
| 注意 | This photodiode array as it is does not function as an X-ray detector. An appropriate scintillator or phosphor sheet should be added at user’s side. |
| 測量條件 | Ta=25 ℃, per element, Photosensitivity: λ=λp, dark current: VR=10 mV, rise time: VR=0 V, terminal capacitance: VR=0 V |
本產品芯片未密封,外露。芯片上的電極等部件沒有外殼或窗戶保護,因此與普通產品相比,在搬運過程中需要特別嚴格的保護。
使用本產品前,請務必閱讀以下“未密封產品/注意事項”。

加入收藏
|
濱松光電二極管模塊 G13568-02CT 集成I2C數字信號輸出 內置LED驅動器 封裝: 品牌:濱松光子 |
|
¥10000.0000 詢價 |
庫存數量:1000 個 整包裝: 貨期:2.5個月 |
|
加入收藏
|
濱松光電二極管模塊 P13567-02CT 集成InGaAs光電二極管和紅外LED的反射式傳感器 封裝: 品牌:濱松光子 |
|
¥10000.0000 詢價 |
庫存數量:1000 個 整包裝: 貨期:2.5個月 |
|
加入收藏
|
光通信 10G BIDI SFP+ 40km/60km QXO-CC3296/QXO-CC2396/QXO-CC32A6/QXO-CC23A6 封裝: 品牌: |
10G BIDI SFP+ 40km/60km QXO-CC3296/QXO-CC2396/QXO-CC32A6/QXO-CC23A6 |
|
¥1000000.0000 詢價 |
庫存數量:7000 個 整包裝: 貨期:現貨 |
加入收藏
|
光通信 10G雙向SFP+ 10/20km QXO-CC3266/QXO-CC2366/QXO-CC3286/QXO-CC2386 封裝: 品牌: |
10G雙向SFP+ 10/20km QXO-CC3266/QXO-CC2366/QXO-CC3286/QXO-CC2386 |
|
¥1000000.0000 詢價 |
庫存數量:7000 個 整包裝: 貨期:現貨 |
加入收藏
|
光通信 10G SFP+ 40/80km系列 QXO-CC5596-645x/QXO-CC33B5-685x 封裝: 品牌: |
10G SFP+ 40/80km系列 QXO-CC5596-645x/QXO-CC33B5-685x |
|
¥1000000.0000 詢價 |
庫存數量:7000 個 整包裝: 貨期:現貨 |
加入收藏
|
光通信 10G SFP+ 10/15/20km系列 QXO-CC3366-625x/QXO-CC3386-625x 封裝: 品牌: |
10G SFP+ 10/15/20km系列 QXO-CC3366-625x/QXO-CC3386-625x |
|
¥1000000.0000 詢價 |
庫存數量:7000 個 整包裝: 貨期:現貨 |
加入收藏
|
光通信 10G SFP+ 300米系列 QXO-CC1116-635x 封裝: 品牌: |
10G SFP+ 300米系列 QXO-CC1116-635x |
|
¥1000000.0000 詢價 |
庫存數量:7000 個 整包裝: 貨期:現貨 |
加入收藏
|
光通信 155M~2.67G SFP LC(SC)雙向收發器 封裝: 品牌: |
|
|
¥1000000.0000 詢價 |
庫存數量:7000 個 整包裝: 貨期:現貨 |
加入收藏
|
光通信 155M~2.5G 雙向SFP收發器 QXO-3333/QXO-3355/QXO-6611/QXO-6633/QXO-6655 封裝: 品牌: |
155M~2.5G 雙向SFP收發器 QXO-3333/QXO-3355/QXO-6611/QXO-6633/QXO-6655 |
|
¥1000000.0000 詢價 |
庫存數量:7000 個 整包裝: 貨期:現貨 |
加入收藏
|
光通信 銅芯SFP收發器 QXO-GE-T/QXO-GE-TA 封裝: 品牌: |
|
|
¥1000000.0000 詢價 |
庫存數量:7000 個 整包裝: 貨期:現貨 |
1.平臺上看到的庫存、價格準確嗎?
答:部分商品可以直接下單,但考慮到現貨庫存流動性比較大,目前還無法做到100%的精準。如有異常,請您直接聯系商城客服,您也可以點擊詢價或提交BOM單,我們將會與您聯系并給出對應的解決方案。
2. 商品都是原裝正品嗎?
答:我們的自營商品均采自合作的國內外原廠或授權代理商,來源均可追溯,確保原裝正品。
3.可以提供原廠或代理的資質證明嗎?
答:目前我們自營代理的品牌包含濱松,USHIO,新唐科技等一線品牌,其他渠道均為原廠及代理渠道。如有需要,我們可以針對具體品牌型號來溝通確認。
4.我可以通過BOM單進行詢價嗎?
答:為客戶提供極具行業特色的電子元器件BOM表一站式供應鏈解決方案,只需聯系商城客服提交物料清單,即可獲得報價。
5.下單后什么時候能發貨?多久能到?
答:大部分商品信息中都有標注貨期,您可根據貨期估計商品的發貨時間,具體到貨時間根據商品具體所在的倉庫、您所選擇的物流方式而定。
6.能開發票嗎?
答:可以為個人用戶開具普通發票,也可以為企業用戶開具增值稅專用發票。
鄂公網安備 42011502001385號 鄂ICP備2021012849號