商品名稱:硅光電二極管 S1133-14
商品型號:S1133-14
品牌:濱松光子
封裝規格:Ceramic
商品類別:
二級分類:濱松硅(Si)光電二極管
商品批號:
貨期:4個月
商品編號:
商品重量:0.1kg
庫存數量:997 個
單價:
硅光電二極管 S1133-14
低暗電流陶瓷封裝光電二極管
S1133 是低暗電流陶瓷封裝光電二極管。陶瓷封裝是不透光的,所以不會有雜散光從側面或背面進入感光面。適用于從可見光到近紅外波段的光學測量,其在從低光度量到高光度量很寬的動態范圍具有可靠性。S1133-14已停產,替代型號為:S16765-2181
產品特性
●適用于可見光到近紅外波段
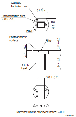
| 感光面積 | 2.8 × 2.4 mm |
| 像元個數 | 1 |
| 制冷 | Non-cooled |
| 封裝 | Ceramic |
| 反向電壓 (最大值) | 10 V |
| 光譜響應范圍 | 320 to 1000 nm |
| 峰值靈敏度波長(典型值) | 720 nm |
| 靈敏度 (典型值) | 0.4 A/W |
| 暗電流 (最大值) | 20 pA |
| 上升時間 (典型值.) | 0.5 μs |
| 結電容(典型值) | 200 pF |
| 測量條件 | Ta=25 ℃, Typ., unless otherwise noted, Photosensitivity: λ=λp, Dark current: VR=1 V, Terminal capacitance: VR=0 V, f=10 kHz |


加入收藏
|
濱松光電二極管模塊 G13568-02CT 集成I2C數字信號輸出 內置LED驅動器 封裝: 品牌:濱松光子 |
|
¥10000.0000 詢價 |
庫存數量:1000 個 整包裝: 貨期:2.5個月 |
|
加入收藏
|
濱松光電二極管模塊 P13567-02CT 集成InGaAs光電二極管和紅外LED的反射式傳感器 封裝: 品牌:濱松光子 |
|
¥10000.0000 詢價 |
庫存數量:1000 個 整包裝: 貨期:2.5個月 |
|
加入收藏
|
光通信 10G BIDI SFP+ 40km/60km QXO-CC3296/QXO-CC2396/QXO-CC32A6/QXO-CC23A6 封裝: 品牌: |
10G BIDI SFP+ 40km/60km QXO-CC3296/QXO-CC2396/QXO-CC32A6/QXO-CC23A6 |
|
¥1000000.0000 詢價 |
庫存數量:7000 個 整包裝: 貨期:現貨 |
加入收藏
|
光通信 10G雙向SFP+ 10/20km QXO-CC3266/QXO-CC2366/QXO-CC3286/QXO-CC2386 封裝: 品牌: |
10G雙向SFP+ 10/20km QXO-CC3266/QXO-CC2366/QXO-CC3286/QXO-CC2386 |
|
¥1000000.0000 詢價 |
庫存數量:7000 個 整包裝: 貨期:現貨 |
加入收藏
|
光通信 10G SFP+ 40/80km系列 QXO-CC5596-645x/QXO-CC33B5-685x 封裝: 品牌: |
10G SFP+ 40/80km系列 QXO-CC5596-645x/QXO-CC33B5-685x |
|
¥1000000.0000 詢價 |
庫存數量:7000 個 整包裝: 貨期:現貨 |
加入收藏
|
光通信 10G SFP+ 10/15/20km系列 QXO-CC3366-625x/QXO-CC3386-625x 封裝: 品牌: |
10G SFP+ 10/15/20km系列 QXO-CC3366-625x/QXO-CC3386-625x |
|
¥1000000.0000 詢價 |
庫存數量:7000 個 整包裝: 貨期:現貨 |
加入收藏
|
光通信 10G SFP+ 300米系列 QXO-CC1116-635x 封裝: 品牌: |
10G SFP+ 300米系列 QXO-CC1116-635x |
|
¥1000000.0000 詢價 |
庫存數量:7000 個 整包裝: 貨期:現貨 |
加入收藏
|
光通信 155M~2.67G SFP LC(SC)雙向收發器 封裝: 品牌: |
|
|
¥1000000.0000 詢價 |
庫存數量:7000 個 整包裝: 貨期:現貨 |
加入收藏
|
光通信 155M~2.5G 雙向SFP收發器 QXO-3333/QXO-3355/QXO-6611/QXO-6633/QXO-6655 封裝: 品牌: |
155M~2.5G 雙向SFP收發器 QXO-3333/QXO-3355/QXO-6611/QXO-6633/QXO-6655 |
|
¥1000000.0000 詢價 |
庫存數量:7000 個 整包裝: 貨期:現貨 |
加入收藏
|
光通信 銅芯SFP收發器 QXO-GE-T/QXO-GE-TA 封裝: 品牌: |
|
|
¥1000000.0000 詢價 |
庫存數量:7000 個 整包裝: 貨期:現貨 |
1.平臺上看到的庫存、價格準確嗎?
答:部分商品可以直接下單,但考慮到現貨庫存流動性比較大,目前還無法做到100%的精準。如有異常,請您直接聯系商城客服,您也可以點擊詢價或提交BOM單,我們將會與您聯系并給出對應的解決方案。
2. 商品都是原裝正品嗎?
答:我們的自營商品均采自合作的國內外原廠或授權代理商,來源均可追溯,確保原裝正品。
3.可以提供原廠或代理的資質證明嗎?
答:目前我們自營代理的品牌包含濱松,USHIO,新唐科技等一線品牌,其他渠道均為原廠及代理渠道。如有需要,我們可以針對具體品牌型號來溝通確認。
4.我可以通過BOM單進行詢價嗎?
答:為客戶提供極具行業特色的電子元器件BOM表一站式供應鏈解決方案,只需聯系商城客服提交物料清單,即可獲得報價。
5.下單后什么時候能發貨?多久能到?
答:大部分商品信息中都有標注貨期,您可根據貨期估計商品的發貨時間,具體到貨時間根據商品具體所在的倉庫、您所選擇的物流方式而定。
6.能開發票嗎?
答:可以為個人用戶開具普通發票,也可以為企業用戶開具增值稅專用發票。
鄂公網安備 42011502001385號 鄂ICP備2021012849號