商品名稱:濱松 CMOS線陣圖像傳感器 S11105
商品型號:S11105
品牌:濱松光子
封裝規格:DIP
商品類別:
二級分類:CMOS圖像傳感器
商品批號:
貨期:現貨
商品編號:
商品重量:0.001kg
庫存數量:1000 個
單價:
高速視頻數據率:50MHz
S11105是一款CMOS線陣傳感器,其視頻數據率可達50MHz。
產品特性
● 高速視頻數據率:最大50MHz
● 所有像素同步電荷積分
● 多種積分時間(電子快門功能)
● 5V單電源工作
● 內置時序產生電路,操作只需要開始和時鐘脈沖信號輸入
● DIP封裝
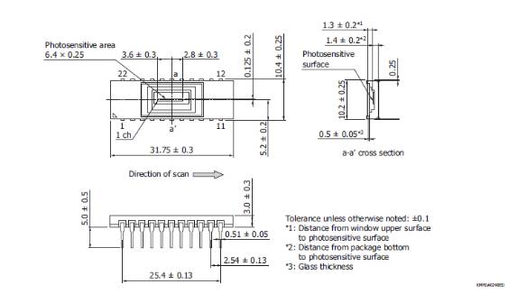
| 圖像尺寸 | 6.4 x 0.25 mm |
| 有效像素個數 | 512 x 1 pixels |
| 像素尺寸 | 12.5 x 250 μm |
| 光譜響應范圍 | 400 to 1000 nm |
| 線速率(典型值) | 88495 line/s |
| 制冷 | Non-cooled |
| 窗材料 | Tempax |
| 封裝 | Ceramic |
| 測試條件 | Typ. Ta=25 ℃, Vdd=5 V, V(CLK)=V(ST)=5 V, f(CLK)=50 MHz, unless otherwise noted |
| 感光面積 | 6.4 x 0.25 mm |
| 像素間距 | 12.5 μm |
| 總像素個數 | 512 |
| 光譜響應范圍(最小值) | 400 nm |
| 光譜響應范圍(最大值) | 1000 nm |


CMOS圖像傳感器的使用、焊接指南:
1、樹脂密封的CMOS線陣圖像傳感器的感光面是由透明樹脂密封和保護的,和玻璃面板相比,密封樹脂的表面可能不夠光滑,而且更容易被刮傷,在焊接和設計操作系統的時候,需要非常小心。
2、要小心不能施加以下外力,因為是硅膠制品,它會導致封裝開裂,進而影響性能。以下外力也會導致電線變形或者斷裂。
-在整個包裹上施加200牛或以上的均勻外力
-在外包裝上施加每100平方微米2牛米或以上外力
3、在運輸的時候,產品表面的黃褐色隔熱膠帶可以保護感光面,在安裝產品的時候,要先去掉這個膠帶。在去掉膠帶的時候,要用小鑷子或者其他小工具,小心地夾住膠帶的邊緣,小心低揭掉。

4、千萬不能用除了酒精以外的溶劑來清洗產品。
5、使用壓縮氣體來吹走產品表面的塵土和污垢。如果塵土和污垢不能使用壓縮氣體吹走,就用棉簽沾濕酒精再輕輕地擦掉。產品表面涂抹的樹脂上的細小劃痕,可以通過對表面進行1分鐘左右的加熱進行修復,加熱溫度保持40℃。
6、產品采用了防靜電設計,但是過多的靜電電荷或者電壓浪涌可能會損壞器件或者影響性能。采取一些防靜電措施是必要的,比如消除自身、工作臺和工具的靜電。同樣還需要消除外圍設備帶來的電壓浪涌對器件的傷害。
7、進行回流焊接時,表1列出了對應的條件
【表1】回流焊接條件
| 參數 | 環氧樹脂密封產品 | 硅樹脂密封產品 |
| 回流焊溫度(封裝表面溫度) | 不超過240℃ | 不超過260℃ |
| 允許的回流焊次數 | 1次 | 不超過3次 |
| 溫度上升下降條件 | 升溫速率:不超過4℃/s 降溫速率:不超過4℃/s | 升溫速率:不超過3℃/s 降溫速率:不超過6℃/s |
溫度的突然升高或者降低會損傷器件。升溫和降溫操作要求見表1
在回流焊過程中,作用在傳感器上的熱應力,根據不同的電路板和焊接工具而不同。在設定不同焊接條件時,應不超過產品的熱應力條件。圖1顯示了回流焊對應的溫度時間曲線。
【圖1】回流焊建議溫度曲線
(a)環氧樹脂密封產品

(b)硅樹脂密封產品

加入收藏
|
CMOS相機 濱松 H8953-30 緊湊型X射線CMOS相機 非破壞性檢測 封裝: 品牌:濱松光子 |
|
¥10000000.0000 詢價 |
庫存數量:1000 個 整包裝: 貨期:四個月 |
|
加入收藏
|
濱松InGaAs銦鎵砷圖像傳感器 銦鎵砷InGaAs面陣圖像傳感器 G16561-0909T 0.95至1.69μm 640×512像素 封裝:金屬 品牌:濱松光子 |
|
¥1000000.0000 詢價 |
庫存數量:1000 個 整包裝: 貨期:四個月 |
|
加入收藏
|
濱松InGaAs銦鎵砷圖像傳感器 銦鎵砷InGaAs面陣圖像傳感器 G16562-0909T 1.12至1.85μm 640×512像素 封裝:金屬 品牌:濱松光子 |
|
¥1000000.0000 詢價 |
庫存數量:1000 個 整包裝: 貨期:四個月 |
|
加入收藏
|
濱松InGaAs銦鎵砷圖像傳感器 銦鎵砷InGaAs面陣圖像傳感器 G16563-0909T 1.3至2.15μm 640×512像素 封裝:金屬 品牌:濱松光子 |
|
¥1000000.0000 詢價 |
庫存數量:1000 個 整包裝: 貨期:四個月 |
|
加入收藏
|
濱松InGaAs銦鎵砷圖像傳感器 銦鎵砷InGaAs面陣圖像傳感器 G16564-0909T 1.7至2.55μm 640×512像素 封裝:金屬 品牌:濱松光子 |
|
¥1000000.0000 詢價 |
庫存數量:1000 個 整包裝: 貨期:四個月 |
|
加入收藏
|
濱松InGaAs銦鎵砷圖像傳感器 銦鎵砷InGaAs面陣圖像傳感器 G17242-0808T 0.9至2.15μm 320×256像素 封裝:金屬 品牌:濱松光子 |
|
¥1000000.0000 詢價 |
庫存數量:1000 個 整包裝: 貨期:四個月 |
|
加入收藏
|
濱松InGaAs銦鎵砷圖像傳感器 銦鎵砷InGaAs面陣圖像傳感器 G17243-0808T 0.9至2.55μm 320×256像素 封裝:金屬 品牌:濱松光子 |
|
¥1000000.0000 詢價 |
庫存數量:1000 個 整包裝: 貨期:四個月 |
|
加入收藏
|
光電倍增管PMT 濱松 光電倍增管 R16571 側窗型 InGaAs光陰極面 適用于光譜儀 封裝:側窗型 品牌:濱松光子 |
|
¥1000000.0000 詢價 |
庫存數量:1000 個 整包裝: 貨期:4個月 |
|
加入收藏
|
TDI相機 濱松 TDI相機 C10000-A01 封裝: 品牌:濱松光子 |
|
¥10000000.0000 詢價 |
庫存數量:1000 個 整包裝: 貨期:四個月 |
|
加入收藏
|
CMOS相機 濱松 CMOS相機 C11440-62U 封裝: 品牌:濱松光子 |
|
¥10000000.0000 詢價 |
庫存數量:1000 個 整包裝: 貨期:四個月 |
1.平臺上看到的庫存、價格準確嗎?
答:部分商品可以直接下單,但考慮到現貨庫存流動性比較大,目前還無法做到100%的精準。如有異常,請您直接聯系商城客服,您也可以點擊詢價或提交BOM單,我們將會與您聯系并給出對應的解決方案。
2. 商品都是原裝正品嗎?
答:我們的自營商品均采自合作的國內外原廠或授權代理商,來源均可追溯,確保原裝正品。
3.可以提供原廠或代理的資質證明嗎?
答:目前我們自營代理的品牌包含濱松,USHIO,新唐科技等一線品牌,其他渠道均為原廠及代理渠道。如有需要,我們可以針對具體品牌型號來溝通確認。
4.我可以通過BOM單進行詢價嗎?
答:為客戶提供極具行業特色的電子元器件BOM表一站式供應鏈解決方案,只需聯系商城客服提交物料清單,即可獲得報價。
5.下單后什么時候能發貨?多久能到?
答:大部分商品信息中都有標注貨期,您可根據貨期估計商品的發貨時間,具體到貨時間根據商品具體所在的倉庫、您所選擇的物流方式而定。
6.能開發票嗎?
答:可以為個人用戶開具普通發票,也可以為企業用戶開具增值稅專用發票。
鄂公網安備 42011502001385號 鄂ICP備2021012849號