商品名稱:NAIS 低信號繼電器 窄長型 AGN200A03
商品型號:AGN200A03
品牌:
封裝規格:SMD
商品類別:
二級分類:繼電器
商品批號:G/QX
貨期:現貨
商品編號:
商品重量:0.0001kg
庫存數量:10000 個
單價:
產品描述:
低信號繼電器 - PCB 1A 3VDC DPDT NON-LATCHING SMD,高靈敏度,消耗功率 100mW,2c1A窄長型繼電器。
產品參數:
| 項目 | 內容 |
|---|---|
| 型號 | AGN200A03 |
| 保護構造 | 塑料密封型 |
| 端子形狀 | 表面安裝端子 |
| 觸點類型 | 標準觸點型 |
| 觸點機構 | B.B.M |
| 觸點構成 | 2c |
| 觸點材料 | AgPd+Au clad (固定)、AgPd(可動) |
| 動作機能 | 單穩態型 |
| 額定消耗功率 | 140mW |
| 線圈額定電壓 | 3V DC |
| 吸合電壓 (at20°C) | 額定電壓的75%V以下(初始) |
| 釋放電壓 (at20°C) | 額定電壓的10%以上(初始) |
| 額定控制容量(電阻負載) | 1A 30V DC, 0.3A 125V AC |
| 觸點最大允許電流 | 1A |
| 最小適用負載(電阻負載) | 10μA 10mV DC |
| 耐電壓 (初始) : 觸點間 | AC750V 1分鐘 (檢測電流:10mA) |
| 耐電壓 (初始) : 觸點與線圈間 | AC1,500V 1分鐘 (檢測電流:10mA) |
| 耐電壓 (初始) : 異極觸點相互間 | AC1,000V 1分鐘 (檢測電流:10mA) |
| 耐浪涌電壓 (初始) : 觸點間 | 1,500V 10 x 160μs(符合FCC Part68標準) |
| 耐浪涌電壓(初始):觸點與線圈間 | 2,500V 2 x 10μs(北美Telcordia) |
| 機械壽命 | 5,000萬次以上(通斷頻率180次/分) |
| 電氣壽命 | 10萬次以上(1A 30V DC電阻負載下)、10萬次以上(0.3A 125V AC電阻負載下)(通斷頻率20次/分) |
| 使用條件 | 溫度:-40 ~+85°C 濕度:5~85%RH(應無結冰、凝露) |
| 高度(mm) | 10.0 |
| 重量 | 約1.0g |
| 表面安裝型 | A型 |
| 包裝方式 | 管裝包裝 |
| 包裝數量:內箱 (個) | 50 |
| 包裝數量:外箱 (個) | 1000 |
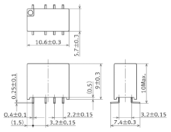
外形尺寸圖:

印刷電路板推薦加工圖:

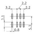
內部接線圖(TOP VIEW)單穩態型、高靈敏度單穩態型:

內部接線圖(TOP VIEW)單線圈磁保持型:

加入收藏
|
瑞盟數字/模擬開關 Toshiba 東芝 單通道 模擬開關 TC7S66F 封裝:SOT23-5 品牌:TOSHIBA 東芝 |
|
¥10000.0000 詢價 |
庫存數量:2690 個 整包裝: 貨期:現貨 |
|
加入收藏
|
瑞盟電平轉換器 TI 德州儀器 電壓電平轉換器 SN74AVC2T45DCUR 封裝:VSSOP-8 品牌:瑞盟科技 |
|
¥10000.0000 詢價 |
庫存數量:8910 個 整包裝: 貨期:現貨 |
|
加入收藏
|
瑞盟數字/模擬開關 NXP 恩智浦 接口專用 多路復用開關 PCA9548APW 封裝:TSSOP24 品牌:恩智浦 NXP |
|
¥10000.0000 詢價 |
庫存數量:1490 個 整包裝: 貨期:現貨 |
|
加入收藏
|
瑞盟數字/模擬開關 瑞盟 國產替代 模擬開關陣列 8X16模擬矩陣開關 MS8816/P 封裝:PLCC44/LQFP44 品牌:瑞盟科技 |
|
¥10000.0000 詢價 |
庫存數量:10000 個 整包裝: 貨期:現貨 |
|
加入收藏
|
瑞盟數字/模擬開關 瑞盟 國產替代 模擬開關 CMOS 低壓 低導通阻抗 10通道 MS715T 封裝:TSSOP24 品牌:瑞盟科技 |
|
¥10000.0000 詢價 |
庫存數量:10000 個 整包裝: 貨期:現貨 |
|
加入收藏
|
瑞盟數字/模擬開關 瑞盟 國產替代 數字開關 8通道 單刀單擲 MS714/T 封裝:QFN20/TSSOP20 品牌:瑞盟科技 |
|
¥10000.0000 詢價 |
庫存數量:10000 個 整包裝: 貨期:現貨 |
|
加入收藏
|
瑞盟數字/模擬開關 瑞盟 國產替代 數字開關 4通道 單刀單擲 MS713/T 封裝:SOP16/TSSOP16 品牌:瑞盟科技 |
|
¥10000.0000 詢價 |
庫存數量:10000 個 整包裝: 貨期:現貨 |
|
加入收藏
|
瑞盟數字/模擬開關 瑞盟 國產替代 模擬開關 雙刀雙擲+單刀單擲 高速模擬開關 MS703D 封裝:DFN12 品牌:瑞盟科技 |
|
¥10000.0000 詢價 |
庫存數量:10000 個 整包裝: 貨期:現貨 |
|
加入收藏
|
瑞盟數字/模擬開關 瑞盟 國產替代 模擬開關 雙刀雙擲 高速USB2.0模擬開關 MSUSB30/N 封裝:MSOP10/QFN10 品牌:瑞盟科技 |
|
¥10000.0000 詢價 |
庫存數量:10000 個 整包裝: 貨期:現貨 |
|
加入收藏
|
瑞盟數字/模擬開關 瑞盟 國產替代 數字開關 音頻開關&驅動 MS2244 封裝:SOP8 品牌:瑞盟科技 |
|
¥10000.0000 詢價 |
庫存數量:10000 個 整包裝: 貨期:現貨 |
1.平臺上看到的庫存、價格準確嗎?
答:部分商品可以直接下單,但考慮到現貨庫存流動性比較大,目前還無法做到100%的精準。如有異常,請您直接聯系商城客服,您也可以點擊詢價或提交BOM單,我們將會與您聯系并給出對應的解決方案。
2. 商品都是原裝正品嗎?
答:我們的自營商品均采自合作的國內外原廠或授權代理商,來源均可追溯,確保原裝正品。
3.可以提供原廠或代理的資質證明嗎?
答:目前我們自營代理的品牌包含濱松,USHIO,新唐科技等一線品牌,其他渠道均為原廠及代理渠道。如有需要,我們可以針對具體品牌型號來溝通確認。
4.我可以通過BOM單進行詢價嗎?
答:為客戶提供極具行業特色的電子元器件BOM表一站式供應鏈解決方案,只需聯系商城客服提交物料清單,即可獲得報價。
5.下單后什么時候能發貨?多久能到?
答:大部分商品信息中都有標注貨期,您可根據貨期估計商品的發貨時間,具體到貨時間根據商品具體所在的倉庫、您所選擇的物流方式而定。
6.能開發票嗎?
答:可以為個人用戶開具普通發票,也可以為企業用戶開具增值稅專用發票。
鄂公網安備 42011502001385號 鄂ICP備2021012849號